Драйвер на LM2621

Тема в разделе 'Проверенные драйвера', создана пользователем CONDOR, 15 мар 2008.

  1. qqq

    qqq Новичок

    перепробовал 10, 22, 33 мкГн и еще пробовал от 10 мкГН отмотать 5 витков из 15...
    всеравно микруха адски греется :(
     
  2. Aleph

    Aleph Пользователь

    У меня установлен самодельный дроссель номиналом 6.8 мкГн - тактильно нагрев микросхемы не обнаруживается.
     
  3. qqq

    qqq Новичок

    может ли возникать перегрев из-за того что вместо R4 в 500 Ом использовалось 511 Ом, а вместо R3 и R2 в 150 кОм использовалось 154 кОм ?
     
  4. Aleph

    Aleph Пользователь

    Нет, сопротивления в норме. 511 и 154 - это кодовая маркировка, в которой последняя цифра - условный множитель: 0 - значит умножить первое число из двух цифр на 1; 1 – умножить на 10; 2 - на 100, 3 - на 1000, 4 - на 10000 и так далее. То есть у тебя в схеме стоят сопротивления на 510 Ом и 150 кОм.
     
  5. Guest

    Guest Гость

    Сопротивления на 500 ом и не бывает (номинала такого нет, разве только из точных). Перегрев точно из - за дросселя? Если я захочу поставить smd - шный, то у меня тоже будет такая ерунда? Очень хороши для dс-dс преобразователей дроссели на броневом сердечнике из старых мобилок.. Надо наверное такой попробовать
     
  6. qqq

    qqq Новичок

    я уже второй день вожусь и не могу понять из-за чего она так греется, менял уже и диод шоттки, тестировал на разных лд(16х).
     
  7. suslox

    suslox Пушистикс Staff Member

    а питание сколько подаешь?через диод ток норм держит?
     
  8. qqq

    qqq Новичок

    питание 2.7 вольта, от 2 заряжаных акумов(каждый по 1.2)
    ток норм, скока подкрутишь резистором стока и держит, только немного подскакивет когда микруха горячей становится
     
  9. qqq

    qqq Новичок

    пробовал менять резистор R3(RFQ) от 90кОм до 400 кОм, тем самым задавая частоту работы микросхемы
    непомогло всеравно греется
     

    Вложения:

    • 222.jpg
      222.jpg
      Размер файла:
      16,3 КБ
      Просмотров:
      1.630
  10. DRACON

    DRACON Новичок

    Промеряй входной выходной токи. Входной ток не должен превышать выходной больше чем на 0.2V даже если они равны микра может грется. Попробуй не греется ли катушка, воможно нужен более толстый провод или сердечник.
     
  11. qqq

    qqq Новичок

    ток на ЛД - 450 мА, входной ток 1 А
    видимо неправильно собрана схема, я прав?
     
  12. suslox

    suslox Пушистикс Staff Member

    согласен, учитывая высокий кпд микросхемы такой входной ток быть не должен...мне почемуто кажется,что дело в катушке
     
  13. DRACON

    DRACON Новичок

    Прошу прощения я имел ввиду напряжения. Не то написал :(. А насчёт тока потребления 1А и тока на ЛД 450мА то это нормально . Входное НАПРЯЖЕНИЕ не должно превышать выходное на 0.2V :pardon:
     
  14. Artemka

    Artemka Администратор Staff Member

    А напряжение входное какое? и выходное? имхо нормальные токи.. кпд конечно процентов 65-70... проблема полюбому есть, надо искать причину.
     
  15. qqq

    qqq Новичок

    на батарейках: 2.47 V
    на входе схемы: 2.13 V
    на ЛД: 3.13 V

    (схему перепроверял много раз, собрано все правильно)
     
  16. Artemka

    Artemka Администратор Staff Member

    итого 66% кпд..
    Ошибок в схеме точно нет, исключено..
    Силовая часть это микросхема, катушка и диод шоттки,диод кстати не греется?
     
  17. qqq

    qqq Новичок

    грелась катушка когда стояла самодельная(15 витков проволкой 0.5)
    поставил покупную на 10 мкГн - не греется
    греется только микросхема. И еще немного теплым становится конденсатор электролетический С2, котороый на 100мкФ
     
  18. Aleksandr

    Aleksandr Модератор Staff Member

    Кондер может греться в 3-х случаях:
    1.Большой ток утечки кондера(пипец ему короче)
    2.Напряжение, на которое расчитан кондер меньше подаваемого на него.
    3.Неверна полярность включения кондера.
     
  19. suslox

    suslox Пушистикс Staff Member

    попробуй кондер заменить, лучше на тантал...только внимательнее с полярностью: полоска у них плюс!
     
  20. EL...

    EL... Новичок

    Не переживайте, 66% для этой схемы не самый плохой показатель. Микросхема греется скорее всего потому, что для неё ток близкий к максимальному, к тому же МОП транзистор имеет не напряжение насыщения как биполярн.т-р, а сопротивление канала, вот вам и львиная доля потерь. Выход - скорее всего придётся помощнее м-схемку подобрать, коль ЛД тоже стали побольше кушать :Bravo: .

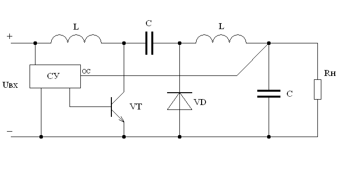
    Предлагаю пищу для мозгов - универсальный драйвер без единого режима работы. Повышать или понижать напряжение зависит только от соотношение ШИМ/нагрузка, т.е. если напряжение питания выше Унагрузки,снижается коэфициент ШИМ и всё ок, Если напряжение питания становится ниже Унагрузки, то схема увеличивает ШИМ и снова всё ок. Тоесть не важно чё сунем на вход (в разумн пределах конечнож), больше или меньше, применительно к ЛД 3В - всё равно всё будет стабильно работать и ничё не сгорит. Есть и недостаток схемы - ввиду наличия 2 дросселей общий КПД схемы будет несколько %% меньше, чем у стандартных схем с единым режимом "повышение" или "понижение". Но для новичков - незаменимый вариант чтоб ничё не сжечь. Остаётся только подобрать микросхемку вместо СУ и VT, и продумать ОС по току :)
     

    Вложения:

    • SuperDrv.GIF
      SuperDrv.GIF
      Размер файла:
      4,4 КБ
      Просмотров:
      1.330

Поделиться этой страницей