Драйвер на LM317

Тема в разделе 'Проверенные драйвера', создана пользователем Artemka, 25 фев 2008.

  1. Vanek

    Vanek Пользователь

    Сообщения:
    780
    Симпатии:
    57
    Баллы:
    28
    Пол:
    Мужской
    Адрес:
    Москва
    это уже оффтоп. но скажу- оптику аиксиз, линза кетайской лазерки, линза с привода- 3 варианта аж)) луч ненаблюдается потому что фокусировать надо (линзу отдалять\приближать к ЛД). да луч будет виднее при увеличении тока. ну естественно в разумных пределах
     
  2. Гарник

    Гарник Новичок

    Сообщения:
    16
    Симпатии:
    0
    Баллы:
    1
    Пол:
    Мужской
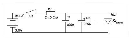
    Дорый Вечер!, Форумчане!!, подскажите что не так делаю??? при питании кроной Схема которая здесь обсуждалась только вместо ЛМ317 -КР142ЕН12А ну никааак выше 70мА не получается поднять ток, запитал бп от телефона 9В 300мА - опять же выше 70 не поднять Ампераж:(, думаю слабый лаааааааадно, запитал от бп мониторного 12В, 3.3А напряжение после кренки падает до 3В. И Ампераж не поднимается......... СКажите товарисчи мож в схеме не так подключено???? я ее подключил как ЛМ на схеме т.е. средний вывод- это регулирование - ПРавильно ли, или что не так я подключил??? или первый по счету (если смотреть на кренку) -регулирование, 2 выход 3-вход ???
     
  3. Vanek

    Vanek Пользователь

    Сообщения:
    780
    Симпатии:
    57
    Баллы:
    28
    Пол:
    Мужской
    Адрес:
    Москва
    распиновка неправилная!!! если расположит микру так чтоб она на тебя смотрела то вот такая распиновка. считаем с права. 1- вход 2 выход 3 управление. вообще посмотрите даташит на нее!!
     
  4. Гарник

    Гарник Новичок

    Сообщения:
    16
    Симпатии:
    0
    Баллы:
    1
    Пол:
    Мужской
    Спасибо!, понятно, значит я управление с выходом поменял местами...... завтра попробую, как бы не спалить диод...... а на чем можно потренироваться??? на обычных диодах можно? или спалю их током??
     
  5. Vanek

    Vanek Пользователь

    Сообщения:
    780
    Симпатии:
    57
    Баллы:
    28
    Пол:
    Мужской
    Адрес:
    Москва
    можно и на обычных. скажу больше- можно просто без всяких нагрузок замкнут на мультиметр, микросхема это позволяет
     
  6. Гарник

    Гарник Новичок

    Сообщения:
    16
    Симпатии:
    0
    Баллы:
    1
    Пол:
    Мужской
    спасибо! завтра отпишусь;)
     
  7. Гарник

    Гарник Новичок

    Сообщения:
    16
    Симпатии:
    0
    Баллы:
    1
    Пол:
    Мужской
    короче Товарисчи -пипец:( когда стояла кренка так же как ЛМ317 ЛД классно работал особенно в корпусе китайской лазерки та которая со светодиодом тоненькая такая.... так вот в ней линза стоит в металическом циллиндре! и ЛД туда классно влазит, напряжение на лд было не больше 3 В и ток 70 мА, после того как поменял ноги кренки - писец.... спалил ЛД :( т.к. напряжение после кренки не уменьшалось, спалил 3 обычных диода и мой ЛД т.к. думал что напряжение после КРЕНки упадет при подключении нагрузки т.е. ЛД а нет......... не уменьшилось блин... кто подскажет че за фигня???????? или эта схема не подходит для Кренки???????
    Кстати Vanek не получилось у меня подключив вместо нагрузки мультиметр померить ампераж..... На трех тестерах пробовал.... не получается......
     
  8. Squork

    Squork Пользователь

    Сообщения:
    494
    Симпатии:
    40
    Баллы:
    28
    Пол:
    Мужской
    Адрес:
    Липецк
    Потому что напряжение при стабилизированном токе зависит от сопротивления нагрузки.
     
  9. Гарник

    Гарник Новичок

    Сообщения:
    16
    Симпатии:
    0
    Баллы:
    1
    Пол:
    Мужской
    так какое напряжение должно быть на ЛД????????
     
  10. Гарник

    Гарник Новичок

    Сообщения:
    16
    Симпатии:
    0
    Баллы:
    1
    Пол:
    Мужской
    или скажем так каким напряжением питать эту схему???
     
  11. tranzistor7294

    tranzistor7294 Пользователь

    Сообщения:
    303
    Симпатии:
    4
    Баллы:
    21
    Пол:
    Мужской
    а есть и ещё проще, вот такая вот шняга
     

    Вложения:

    • 1sxem.jpg
      1sxem.jpg
      Размер файла:
      11,8 КБ
      Просмотров:
      846
    • 10065670.jpg
      10065670.jpg
      Размер файла:
      3,3 КБ
      Просмотров:
      763
  12. tranzistor7294

    tranzistor7294 Пользователь

    Сообщения:
    303
    Симпатии:
    4
    Баллы:
    21
    Пол:
    Мужской
    та схема что кинул я вполне нормально питается от трёх элементов AAA, а предыдущая в ней указано что 7,2v хотя важнее сколько ампер сам блок питания скорее всего подойдёт и 12v 500 mA блок питания
     
  13. Гарник

    Гарник Новичок

    Сообщения:
    16
    Симпатии:
    0
    Баллы:
    1
    Пол:
    Мужской
    ОК, понял!, только скажите почему 12В БП в схеме с ЛМ спалила мне ЛД???? Неужели БП 3.3А много для этой схемы???? ниче не пойму...... аааааааааааааааааааа один ДВДюк остался а внем только шлейф поменять- и будет рабочий...... жалко если не разберусь и спалю нахрен ЛД:(
     
  14. tranzistor7294

    tranzistor7294 Пользователь

    Сообщения:
    303
    Симпатии:
    4
    Баллы:
    21
    Пол:
    Мужской
    лудше всего ставить опыты на сидюшном лд так как его не жалко он установлен в любых лазерных проигрывателях и схемку можно сделать ту что представлена выше по крайней мере с неё начать и замерить ток и напряжение на лд с нагрузкой и без и тогда уж точно всё станет ясно, а на щёт БП, ничего не могу сказать так как не знаю его параметров а схема что представлена мной выше 100% процентов рабочая вот убедитесь http://lasers.org.ru/forum/threads/моя-самая-первая-лазерная-указка-в-жизни.3086/#post-95908
     
  15. Vanek

    Vanek Пользователь

    Сообщения:
    780
    Симпатии:
    57
    Баллы:
    28
    Пол:
    Мужской
    Адрес:
    Москва
    странно. все должно получатся. так как это стабилизатор тока то он не зависимо от нагрузки дает выставленный ток, и хоть в нагрузке будет 0,1 ом, хоть 10 ом, хоть 100 ом, сила тока везде будет одинаковая, разница будет только в падении напряжении на этой нагрузке. (100 ом это только пример, в этой схеме эти 100 ом в нагрузку работать небудут так как напряжение 12 вольт мало для нужного тока). ты либо что то не так собрал, либо кренка хреновая. дай название своей кренки.
     
  16. Гарник

    Гарник Новичок

    Сообщения:
    16
    Симпатии:
    0
    Баллы:
    1
    Пол:
    Мужской
    Большое спасибо, блин может точно чето с кренкой не так?? воть моя кр142ен12а
     
  17. Vanek

    Vanek Пользователь

    Сообщения:
    780
    Симпатии:
    57
    Баллы:
    28
    Пол:
    Мужской
    Адрес:
    Москва
    хмм. у нее распиновка одинаковая как и у ЛМ317. Ваша кренка является полным ее аналогом. а какой у вас резистор там стоит?
     
  18. Гарник

    Гарник Новичок

    Сообщения:
    16
    Симпатии:
    0
    Баллы:
    1
    Пол:
    Мужской
    Добрый день!, спасибо за помощь!, только сейчас заметил что постоянные сопротивления у меня по 5 Ом :( (блин поверил на слово продавцу....) . А подстроичный резистор 100 Ом
     
  19. Гарник

    Гарник Новичок

    Сообщения:
    16
    Симпатии:
    0
    Баллы:
    1
    Пол:
    Мужской
    Подскажите или я чето не пойму........ резистор с 4 полосками золотая , 2 черные и коричневая полоска это скольки омный??????
     
  20. tranzistor7294

    tranzistor7294 Пользователь

    Сообщения:
    303
    Симпатии:
    4
    Баллы:
    21
    Пол:
    Мужской
    золотистая должна быть в конце выходит у вас коричневая две чёрных и золотая если так то это будит 10 ом есть интернете сайт для определения цветовой маркировки резисторов http://trzrus.narod.ru/index.htm программа на компьютер http://www.energosoft.info/soft_electronika.html http://www.softportal.com/get-8757-opredelenie-soprotivleniya-rezistora-po-tsvetovoj-markirovke.html а также программа для телефона с платформой java http://spaces.ru/files/?sid=&link_id=26152469202&SN=1&read=27204266&LII=27204266&LT=1&LI=0
     

Поделиться этой страницей