ОБСУЖДЕНИЕ ИСТОЧНИКОВ ПИТАНИЯ, ЛАМП, КВАНТРОНОВ, ЗЕРКАЛ ИТД!

Тема в разделе 'Блоки питания', создана пользователем Guest, 12 апр 2009.

  1. da-nie

    da-nie Активный пользователь

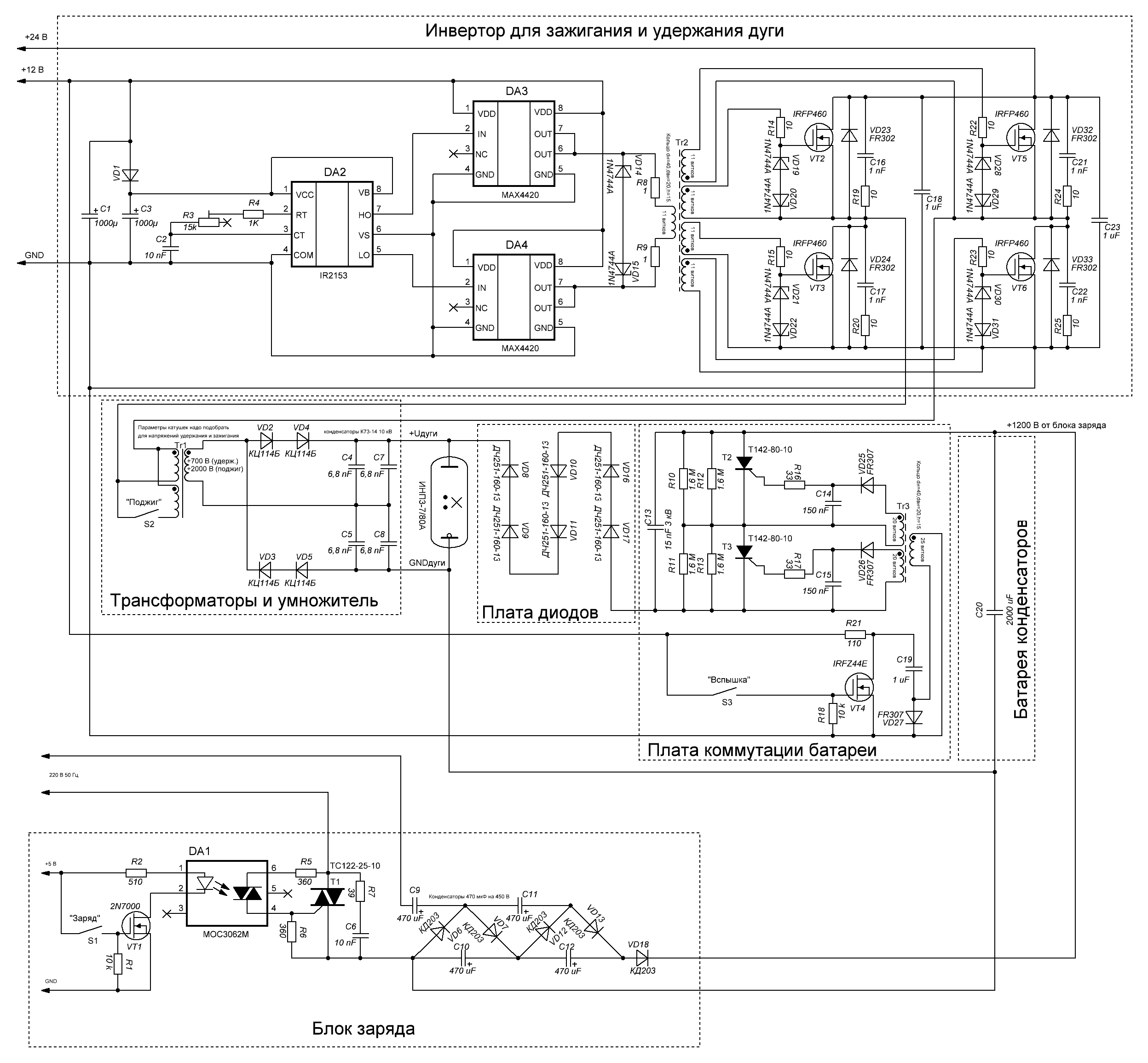
    Доработал блок питания с дежурной дугой. Совместил катушки удержания и поджига в одну. Правда, сейчас обмотки такие, что дуга вспыхивает и в режиме удержания, так что поджиг дуги вообще не нужен.

    блок питания лазера с дежурной дугой-2.GIF


    А работает вот так:

     
    St2Ra3nn8ik, suslox и Исландский шпат нравится это.
  2. ОхотниК

    ОхотниК Пользователь

    6.3х105 тут же где то в теме есть все, инфа где то 2012-2014 года, давно в общем было
     
  3. suslox

    suslox Пушистикс Staff Member

    Хм, а я думал, что АЭ с напыленными зеркалами были только маленькими, тк напыленные зеркала якобы не держат большую энергию...
     
  4. da-nie

    da-nie Активный пользователь

    А кто-нибудь знает, как Квант заряжает конденсаторы? Точнее, как он не допускает огромного броска тока в момент включения разряженного конденсатора на заряд? У меня сейчас электролиты появились, они в сборке дают 5000 мкФ x 700 В (или выше). И вот их заряжать просто так тяжко. Через резистор 5 Ом в схеме с умножителем на 2 (где сами эти конденсаторы и есть плечи умножителя) зарядка идёт долго (почти 2 секунды, да и резистор дико греется). А мне надо бы раз в 5-10 почаще. Квант заряжает, помнится, с 380 В сети до 600 В. Вот только как он броска тока избегает?
     
  5. AlexDark

    AlexDark Пользователь

    Там скорее всего синхронизация с сетью, один полупериод заряжается, второй - разряжается . описалово есть в Вакуленко "источники питания лазеров"
     
  6. da-nie

    da-nie Активный пользователь

    О, точно, совсем забыл про эту книжку. Спасибо!
     
  7. Dn

    Dn Пользователь

    Не в курсе про квант, но за один полупериод напрямую от сети (через диоды) столько джоулей влить это чревато проблемами, по крайней мере в квартире. Да и конденсаторы не факт что выдержат издевательство, им нужно время остыть, а электролит может закипеть раньше, чем тепло будет отведено. Если бы было много мелких параллельно, то было бы попроще. Esr не меряли у них? Небось не такой уж малый, чтоб игнорировать. Можно дросселем часть тока размазать, я в подобных случаях использовал галогенки из-за нелинейности вах и игнор к нагреву, но надо подбирать их количество или мощность экспериментально. Не пробовал на такие напряжения, обычно 12 вольтовые последовательно-параллельно юзаю, но вряд ли в вашем случае что-то принципиально иное будет. Из недостатков - первоначальный скачок тока когда еще не раскалилась спираль, но дроссель помогает (до его насыщения) и если уж выпрямлеными полупериодами питать, тоже полегче должно быть имхо. Я б сделал выпрямитель или блок питания с кучей кондеров подешевле, а с него б уже заряжал "боевые", дабы не попортить жизнь электронике в сети.
     
  8. da-nie

    da-nie Активный пользователь

    Выдержат, выдержат. Схема простая. Два конденсатора 470 мкФx450 В со сварочного инвертора образуют умножитель на 2. К его выходу подключена уже батарея 5000 мкФ. Всё это коммутируется симистором. Дроссель тоже есть, но небольшой. Заряжает до 400 В за 0.3-0.5 секунды. Эти 400 В дают 400 Дж на лампе.
     
  9. Dn

    Dn Пользователь

    Все же такие вещи лучше просчитать исходя из esr. Никогда не держал в руках такие большие конденсаторы и не знаю характеристик, но как бы не оказалось, что там что-нибудь в районе 10 миллиом. Да пусть даже 1 миллиом, при 500 вольтах через резистор 5 ом будет условно 10 ватт тепла с каждого импульса, а если надо 5 раз в секунду, то 50 ватт. При разряде токи гораздо выше, не помню уж какие, но скажем пол килоампера если, то тепловыделение 1.25 квт в секунду на конденсаторе будет. Грубые расчеты, но примерно где-то так. Я когда-то накупил очень много электролитов на 470мкф 450в довольно дешево, теперь лежат без дела, потому что начал считать тепловыделение и волосы дыбом встали. На всякий случай хотя бы проводите опыты находясь в другой комнате и наблюдая через камеру.
     
  10. da-nie

    da-nie Активный пользователь

    Эти большие - нагрузка для умножителя. Ток ограничивают не они, а 470 мкФ x 450 В от сварочника.

    Просто в корпус помещаете и всё. :)
     
  11. Андрей1982

    Андрей1982 Пользователь

    Да нормально чувствуют себя электролиты. Иначе и не использовали бы их как накопители в МУЛах и ЛАТах.
     
  12. da-nie

    da-nie Активный пользователь

    Вот с этими электролитами. Правда, ошибся с энергией - сейчас 900, а не 400 Дж. Снижу напряжение до 400 В и потом посмотрю, что выйдет. Но это потом.
     
  13. da-nie

    da-nie Активный пользователь

    Существенно поднял частоту. Но дуга часто гаснет. Впрочем, там есть и другие странности в работе - сдаётся мне, не всегда тиристоры открываются правильно, то ли конденсатор у ключа не успевает заряжаться, то ли ещё что. Я так думаю, потому что даже с принудительно зажжённой дугой (по кнопке поджига) далеко не всегда следует вспышка. А вспышки эти микроконтроллер даёт с проверкой вспыхнуло или нет. Так вот, он должен вспышку давать постоянно, если видит, что не вспыхнуло. И тут зажигание дуги должно привести к нужному результату. Раньше так и было. А вот сейчас так редко получается. А это странно. Буду разбираться потихоньку, в чём там дело.
     
  14. da-nie

    da-nie Активный пользователь

    Очень странно. Последнее видео на youtube собрало больше 3000 просмотров! Что происходит? Я больше нигде не размещал, только там и здесь. Обычно, количество просмотров хорошо если около сотни. А тут так... Хм.
     
  15. da-nie

    da-nie Активный пользователь

    Посмотрел тут начинку блока питания Fedal SF138. Он идёт на замену штатному в Квантах. Как я понял, состоит из двух блоков. Второй блок (коммутации, как его назвали), мне не открыли, а вот первый я поснимал внутри (у меня камера очень старая на телефоне, так что уж что есть).
    А начинка там такая:

    Фото1173.jpg Фото1174.jpg Фото1175.jpg Фото1176.jpg Фото1177.jpg
     
  16. da-nie

    da-nie Активный пользователь

    Ещё.

    Фото1178.jpg

    Тут (на прерыдущих фото с двумя большущими трансформаторами) виден трансформатор поджига и дроссель (как я понимаю) и 6 электролитов 470 мкФ x 450 В. Думаю, это не боевая батарея, я часть выпрямителя схемы питания. Ещё интересно, что компоновка вертикальная. Надо взять на вооружение. :) И внутри много пустоты.
     
  17. Андрей1982

    Андрей1982 Пользователь

    "6 электролитов 470 мкФ x 450 В", ну их нафиг, электролиты эти в выпрямителе схемы питания. :)
    А так - интересно! :) :)
     
  18. SparkPower

    SparkPower Пользователь

    Это-же блок непрервной накачки, внем нет никаких накопителей работающих на лмапу по определению.
     
  19. Dn

    Dn Пользователь

    На сайте наоборот сказано, импульсный и для ИНП ламп, что исключает опечатки.
     
    Андрей1982 нравится это.
  20. da-nie

    da-nie Активный пользователь

    Всё верно, он для импульсных ламп.
     

Поделиться этой страницей