Сканеры из магазина lasers.org.ru - строим проектор.

Тема в разделе 'Строящиеся проекты', создана пользователем Pavel-93RUS, 11 мар 2011.

  1. Саня

    Саня Пользователь

    Сообщения:
    165
    Симпатии:
    1
    Баллы:
    18
    Адрес:
    Костромская обл.
    хотелось бы тот драйвер переделать и тот драйвер....вот на счёт хорошего драйвера поподробней...
     
  2. Pavel-93RUS

    Pavel-93RUS Пользователь

    Сообщения:
    121
    Симпатии:
    7
    Баллы:
    18
    Вобщем, я собрал вот по этой схеме, только на 2 канала: http://lasers.org.ru/forum/attachments/Снимок-jpg.9642/?embedded=1 Только получилась неувязочка: алгоритм гашения луча у контроллера оказался наоборот и вместо картинки сканер рисовал линии обратного хода луча. Поэтому в схему был добавлен еще один какскад на транзисторе для инверсии, вот так: http://radiokot.ru/forum/download/file.php?id=66636 Всё работает просто отлично, ток стабилен, модуляция пашет :)
     
  3. KoSS_89

    KoSS_89 Пользователь

    Сообщения:
    157
    Симпатии:
    9
    Баллы:
    18
    Адрес:
    Украина. Луганская обл. г Стаханов
    У драйверапо выше пиведенной схеме есть много недостатков, я тоже его собрал и начал тестить на нагрузочном резюке, посмотрел осцилографом что творится на выходе, вобщем при регулеровки тока одного канала, ток меняется и на остальных, при выключении есть скачек по выходу (может сгореть ЛД) вобщем гадость! Вчера раздербанил пром драйвер от проэкторов, вычистил от эпоксидки и срисовую схему, позже выложу
     
  4. Pavel-93RUS

    Pavel-93RUS Пользователь

    Сообщения:
    121
    Симпатии:
    7
    Баллы:
    18
    Странно.... скачка по току точно нет на моем экземпляре, как при включении, так и при выключении... Но если выложишь схему, будет интересно глянуть.
     
  5. Саня

    Саня Пользователь

    Сообщения:
    165
    Симпатии:
    1
    Баллы:
    18
    Адрес:
    Костромская обл.
    заводской драйвер тоже не всегда хороший...сам же писал. Но драйвер драйверу рознь...
     
  6. Pavel-93RUS

    Pavel-93RUS Пользователь

    Сообщения:
    121
    Симпатии:
    7
    Баллы:
    18
    Тут еще мысль пришла..... Неплохо бы придумать драйвер, с задержкой зажигания ЛД для данного комплекта сканеров... Столкнулся с такой темой, что контроллер сканеров стартует не сразу при подаче питания, а с задержкой 1-1,5 сек. В это время модули начинают уже работать, и луч попадает в корпус гальво, т.к. зеркала в нерабочем положении разворачиваются до упора. В принципе мелочь, но неприятно. Решение видится либо в введении в схему реле, которое отключало бы питание драйвера, обмотку которого можно запитать от БП сканеров, либо электронный ключ, включающий драйвер с задержкой....
     
  7. KoSS_89

    KoSS_89 Пользователь

    Сообщения:
    157
    Симпатии:
    9
    Баллы:
    18
    Адрес:
    Украина. Луганская обл. г Стаханов
    В схеме что я дам этот вопрос решен
     
  8. Pavel-93RUS

    Pavel-93RUS Пользователь

    Сообщения:
    121
    Симпатии:
    7
    Баллы:
    18
    Интересно... ждем-с....:)
     
  9. KoSS_89

    KoSS_89 Пользователь

    Сообщения:
    157
    Симпатии:
    9
    Баллы:
    18
    Адрес:
    Украина. Луганская обл. г Стаханов
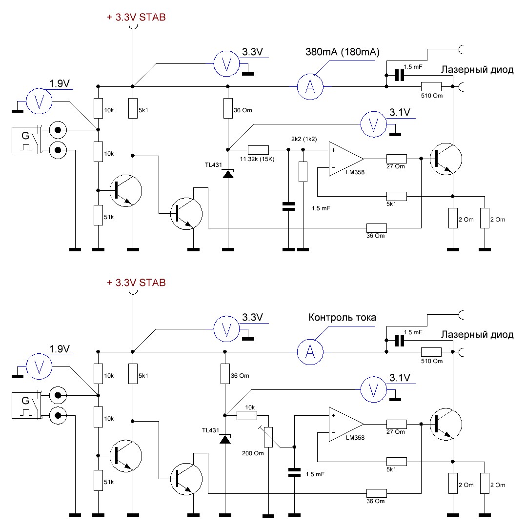
    Итак, на днях был в Донецке, очень красивый город. там нашол двух людей которые занимаются лазерными шоу и звуком, там-же прикупил лазерный модуль копия как здесь вот фото самого драйвера
    [​IMG]
    На первый взгляд конструкция хорошо залита эпоксидкой, но это не проблема. Коробка сделана из пластмассы напоминающей слаёный полеителен поэтому эпоксидка к ней прилипает плохо как и другой вид клея. Изгибаем коробку (конечно с умом), крутим углы в разные стороны и в итоге вынимаем плату с залитым "пиражком" эпоксидки. Далее берём либо расстваритель либо паяльный фен (кто на что богат) феном греем градусах на 200*С и плоской отверткой аккуратно поддеваем эпоксидку стараясь не оторвать детали отверткой, горячая эпоксидка - мягкая и теряет свои липучие свойства, отрываем её кусками с платы и радуемся новому "обнажённому" куску платы.
    Копаем далие. На плате видно два аперационника и импульсный стабилизатор напряжения питания драйвера лазеров, тут мы выигрываем КПД нашего драйвера за это +1 Схема самого стабилизатора тока ЛД простая, я даже немного расстроился, ожидал большего, но после вспомнил хорошие слова "чем проще, тем надёжней" темболее драйвер показал хорошие результаты до 14кГц частоты модуляции. Схему я срисовал не полную, только токовый драйвер, я её выложу сейчас а позже выложу полную схему сего драйвера думаю будет полезно многим
    Вот схема Драйвер лазера 1.JPG Ниже это что по моим соображениям можно выкинуть. Как я и говорил ничего хитрого не окозалось, позже будет вся схема драйвера.
    Вот сайт с есчё одной хорошей схемой драйвера, если их обёденить можно получить действительно хорошую конструкцию http://laser-technology.ru/forum/11-41-1

    Нашол не существенные ошибки, схему подправил

    Здесь продолжение
     
    Ryazanec нравится это.
  10. Pavel-93RUS

    Pavel-93RUS Пользователь

    Сообщения:
    121
    Симпатии:
    7
    Баллы:
    18
    Возвращаюсь к доделке проектора после летнего перерыва... Вобщем проектор практически готов и уже работает на дискотеке, однако есть проблемка, которая заключается в том, что очень мало зелени. От чего-то при работе с модуляцией от контроллера сканеров в режиме лучевых шоу зелень светит раза в 2 слабее, чем должна, в результате преобладает красный и синий цвета. В режиме анимации на статичных картинках, и если выдернуть разьем TTL зелени в норме. Модуль вот этот http://www.dealextreme.com/p/100mw-650nm-red-35mw-532nm-green-laser-module-12v-46394 , юзается с родным драйвером. От чего возникает эта проблема? Не успевает раскачиваться склейка при быстрой модуляции?
     
  11. KoSS_89

    KoSS_89 Пользователь

    Сообщения:
    157
    Симпатии:
    9
    Баллы:
    18
    Адрес:
    Украина. Луганская обл. г Стаханов
    Скорее всего да, склейка. Хотя лучше проверить осцилом выход драйвера (что на ЛД делается) Я тоже при просмотре анимаций замечал такую вещь, на некоторых анимациях светит норим, а есть так тускло... на разных драйверах одинаково...
     
  12. Ryazanec

    Ryazanec Модератор Staff Member

    Сообщения:
    1.577
    Симпатии:
    40
    Баллы:
    48
    Пол:
    Мужской
    Адрес:
    Рязань
    У меня такое бывало с прогревом модуля зелень хуже становилась, модуль китайский от указки.
    Склейка может просто не успевать раскачиваться, хотя у меня обычно именно на некоторой анимации тусклее, а вот лучевые нормально.
     
  13. Pavel-93RUS

    Pavel-93RUS Пользователь

    Сообщения:
    121
    Симпатии:
    7
    Баллы:
    18
    По ходу причина не в драйвере, нет... пробовал подключать синий к драйверу зелени - светит нормально, а зелень от драйвера сини - так же... и выхода TTL местами менял, эффект нулевой... И как обойти эту проблему? Установить зелень мощнее?
     
  14. Ryazanec

    Ryazanec Модератор Staff Member

    Сообщения:
    1.577
    Симпатии:
    40
    Баллы:
    48
    Пол:
    Мужской
    Адрес:
    Рязань
    В программе можно настройки поковырять, если не ошибаюсь, бывает опережение зажигания лазеров в настройках.
     
  15. Pavel-93RUS

    Pavel-93RUS Пользователь

    Сообщения:
    121
    Симпатии:
    7
    Баллы:
    18
    У меня пока нет контроллера, пользуюсь зашитыми в плату эффектами ....
     
  16. shk-3

    shk-3 Пользователь

    Сообщения:
    275
    Симпатии:
    0
    Баллы:
    16
    Адрес:
    Москва
    Не уверен, что в ту тему написал (так как речь не только о сканерах с форума, но и других), если что, прошу прощения, переносите. Однако сканеры похожи. На какой параметр обратить внимание при выборе сканера, кроме частоты? Выбираем для лазерного шоу, для начала планируем уложиться в бюджетный вариант 5000р (все вместе - лазер, сканер, мелочи, пк в расчет не берется, он есть), но это не железно. Рассматриваем из сканеров вариант на форуме за 4500 и вот такие например http://www.ebay.com/sch/i.html?_odk...=p2045573.m570.l1313&_nkw=galvo+kpps&_sacat=0 Если они чем-то важным кроме частоты отличаются, то какие лучше брать, чтобы меньше потратиться на остальное оборудование (контроллеры и т.п.) и чтобы меньше голову ломать (вариант-то бюджетный, за блеском пока не гонимся, что-нибудь попроще бы). Вот может такое качество как с лошадкой на анимации нас бы вполне устроило http://laserium.narod.ru/galvo2.html. Извиняюсь за ранее, возможно в чем-то повторился, и заранее спасибо!
     

Поделиться этой страницей