Сканирующая система на шаговых двигателях

Тема в разделе 'Гальванометры open loop (без обратной связи)', создана пользователем qwww, 8 янв 2010.

  1. GOA

    GOA Новичок

    Все именно так. А вообще для этого используются барьерные ИК датчики
     
  2. qwww

    qwww Новичок

    Кнопки ето хорошо.
    ИК датчики ещё лучше.
    А вот с шуропом, так сказать не будет блестать надежностю.
     
  3. Ghost_Russia

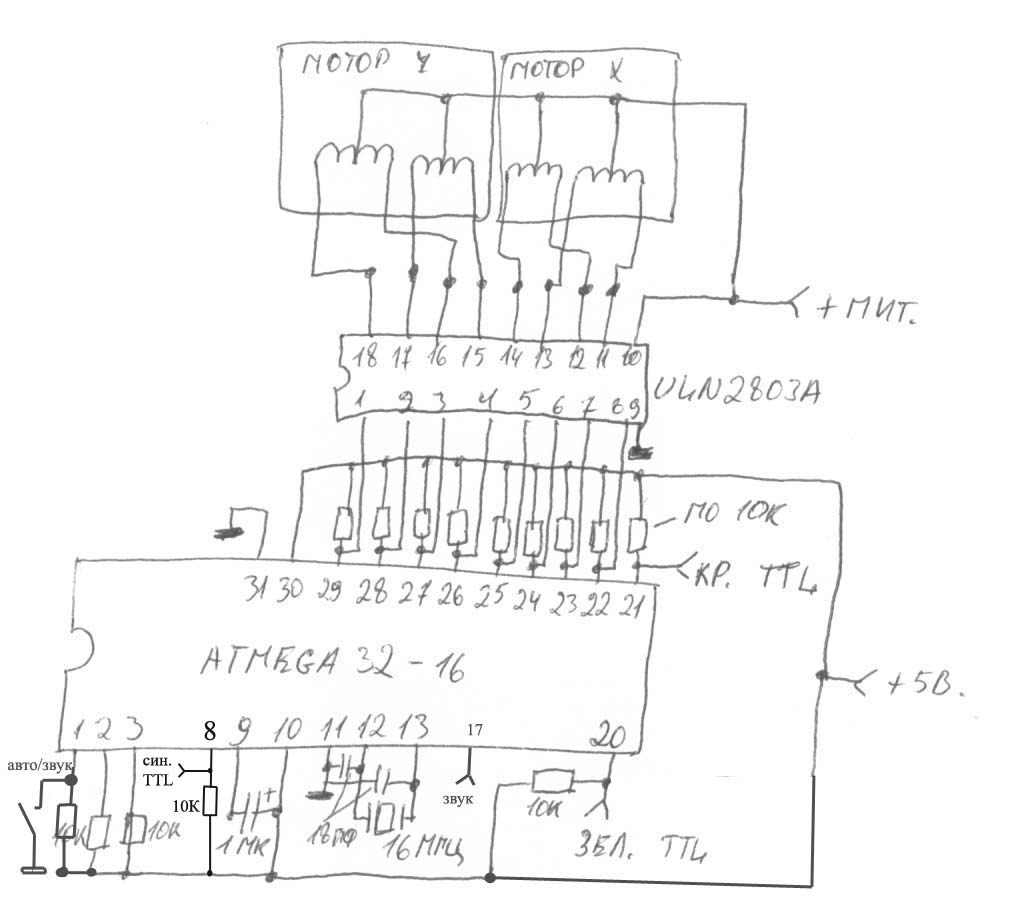
    Ghost_Russia Пользователь

    [youtube:3q92g8jv]http://www.youtube.com/watch?v=bS9c-iA4Jzc[/youtube:3q92g8jv]
     
  4. Kvadro85

    Kvadro85 Пользователь

    Ghost_Russia, хорошее видео, твой? :)
    Однофорумчане, может кто представить вниманию окружающих работающий проект на шаговых двигателях, с описанием, схемой, прошивкой, или нет таких?
     
  5. Ghost_Russia

    Ghost_Russia Пользователь

    Не, не мой.
    У меня шаговики только на 4 входа(с дисководов, а надо на 5, подключать легко), как их простенько подключать я в нете не нашёл(а городить схемы это не моё)
    А софт для лпт я махом бы написал ;)
     
  6. Kvadro85

    Kvadro85 Пользователь

    Тут не в том фишка чтоб простенько подключать. Тут нужно через контроллер, где зашиты все алгоритмы работы и обратные связи, а какой двиг, хоть 4 хоть 5 выводов - без разницы. Добавлю, пожалуй, что нужен двигатель с минимальным шагом, 1.8 и менее градусов.
     
  7. peet

    peet Пользователь

    Делал я проектор на шаговиках, но сейчас у меня его нет, продал в клуб ;) Вот если время будет сделаю ещё, и выложу фоты.
     
  8. ikn

    ikn Пользователь

    а может не только фоты? :oops:
     
  9. Kvadro85

    Kvadro85 Пользователь

    peet может разработками поделитесь с окружающими, если не жалко?
    Для себя. Сделайте готовое устройство, покажите фото, видео, потом поговорим про процессор, к стати на каком мк?
     
  10. peet

    peet Пользователь

    Схему нарисую, но прошивку дать не могу, много времени потратил, чтобы красивые эффекты были. Могу выслать процессор прошитый, если это Вам для себя.
     
  11. peet

    peet Пользователь

    Вот схема
     

    Вложения:

    • Image1.jpg
      Image1.jpg
      Размер файла:
      96,1 КБ
      Просмотров:
      2.714
  12. Kvadro85

    Kvadro85 Пользователь

    peet опишите алгоритм работы, центровка зеркал, какие шаговики? И почему не сделали какой то интерфейс для управления или заливки фигур? Микрофон можно было прикрутить тоже. Если будете продавать микроконтроллер, то в каком пределе?

    А по какой схеме модуляция лазеров, или готовые модули с выводом TTL? Это пожалуй недорого, а скоро будете собирать очередной сканер? Нет возможности с того клуба видео записать?
     
  13. peet

    peet Пользователь

    Разрешение анимашек 16Х16 шагов.
    При включении шаговики поворачиваются по часовой стрелке на 60 шагов, в ротор двигателя вкручен шуруп. Этот шуруп упрется в другой шуруп, который прикручен к корпусу двигателя - это и будет нулевое положение. Шаговики нужны 200 шаговые, 1,8градуса шаг. Проектор с таким разрешением не имеет смысла подключать к компу. Мне не нужен интерфейс, у меня умная программа, например, чтобы нарисовать линию надо ввести в таблицу данных несколько цифр: координата начала и конца линии, цвет, стробирующий режим, скорость моторов и количество циклов повтора.
    Звуковая активация есть, для этого надо 1 ногу проца включить на +5в, а на 17 ногу подать сигнал от микрофона, фильтрованный НЧ фильтром.
    За 500р согласен подавать прошитый микроконтроллер.
     
  14. bamian

    bamian Пользователь

    ШД привода головки записи-чтения от 5,25" флоппи-дисковода TEAC.
    Это униполярный двигатель с 5 выводами: 4 обмотки и общий провод подачи питания 12 В. ШД имеет шаг 1,8 градуса. Соответственно, для того чтобы вал совершил полный оборот, необходимо подать 200 импульсов.
     
  15. Kvadro85

    Kvadro85 Пользователь

    bamian у меня такой один остался, второй вставил в эффект "световой ёж" Где бы еще один нарыть...
     
  16. peet

    peet Пользователь

    Подключайте к готовым модулям со входом TTL. Может через недельку сделаю еще, тогда выложу видео.
     
  17. peet

    peet Пользователь

    Пока вот сделал популярный лазерный эффект звездного неба, с использованием ШД
     

    Вложения:

    • лазер1.jpg
      лазер1.jpg
      Размер файла:
      287,8 КБ
      Просмотров:
      2.212
    • лазер2.jpg
      лазер2.jpg
      Размер файла:
      421,1 КБ
      Просмотров:
      2.368
  18. Lazer63

    Lazer63 Пользователь

    Чегойто слишком много "железа" для эфекта бегающих мурашек там же кроме управления движками и источника для лазера ничего не нужно. Или если сделать попроще "заказчик не поймёт" ;)
     
  19. SviMik

    SviMik Новичок

    Просто автор не любит smd, вот и кажется что много :)
     
  20. bamian

    bamian Пользователь

    Биполярный двигатель имеет одну обмотку в каждой фазе, которая для изменения направления магнитного поля должна переполюсовывается драйвером. Для такого типа двигателя требуется мостовой драйвер, или полумостовой с двухполярным питанием. Всего биполярный двигатель имеет две обмотки и, соответственно, четыре вывода (рис. а). Униполярный двигатель также имеет одну обмотку в каждой фазе, но от середины обмотки сделан отвод. Это позволяет изменять направление магнитного поля, создаваемого обмоткой, простым переключением половинок обмотки. При этом существенно упрощается схема драйвера. Драйвер должен иметь только 4 простых ключа. Таким образом, в униполярном двигателе используется другой способ изменения направления магнитного поля. Средние выводы обмоток могут быть объединены внутри двигателя, поэтому такой двигатель может иметь 5 или 6 выводов (рис. б). Иногда униполярные двигатели имеют раздельные 4 обмотки, по этой причине их ошибочно называют 4-х фазными двигателями. Каждая обмотка имеет отдельные выводы, поэтому всего выводов 8 (рис. в). При соответствующем соединении обмоток такой двигатель можно использовать как униполярный или как биполярный. Униполярный двигатель с двумя обмоткими и отводами тоже можно использовать в биполярном режиме, если отводы оставить неподключенными. В любом случае ток обмоток следует выбирать так, чтобы не превысить максимальной рассеиваемой мощности.
    1. Двигатель имеющий 4 вывода - биполярный.
    2. Двигатель имеющий 5 выводов - 1 из них это "+" ... Вольт. Все выводы будут звониться между собой, с той лишь разницей, что с "+" сопротивление будет постоянно, с любым из концов отличное от постоянства. т.е. Если взять в провода управления - то у них будет сопротивление больше, чем эти же проводники с "+" клемой.
    3. Двигатель имеющий 6 выводов - разница от 5-выводного в том что проводники собраны не в 4 обмотки а 2 по 3. и средний между ними будет как раз "+". чтобы определить какой из них "средний", надо тестером проверить сопротивление всех проводников. Те которые не имеют отношения к другой обмотке, звониться не будут. Средняя точка определяется по равности сопротивлений между оставшимися (двумя) проводниками. Центры каждой три-пары надо соединить "в кучу" получаем 5 выводную схему. Не забываем, что 2 соединенные вместе обмотки РАСПОЛОЖЕНЫ НА ПРОТИВ ДРУГ-ДРУГА поэтому при определении последовательности поворота шаговика берем 1 от одной обмотки, второй от второй обмотки, 3 от опять первой, 4 от второй.
    4. Двигатель имеющий 8 выводов - каждая обмотка не соединена ни с какой из соседних. т.е. независима. За последовательность не ручаюсь, но должна быть по аналогии с 5-выводным. Сначала находим каждую независимую обмотку (так же тестером). Затем блоком питания вольт на 12 подключаем каждую из обмоток и смотрим в какую сторону крутиться двиг. Для лучшего контроля можно нарисовать тонким маркером на валу метку и напротив нее, на корпусе движка еще одну. По ним ориентироваться в какую сторону движется вал. Тем самым определяем последовательность обмоток. Все левые (или правые) сводятся в кучу - это "+". Остальные 4 - обмотки.
    Для облегучения работы с шаговыми двигателями нашел небольшую табличку, с цветовой раскладкой подключения некоторых двигателей.
    В колонке общий провод обозначение Бел+бел говорит о том, что двигатель имеет два общих белых вывода от
    обмоток и их нужно соединить вместе.
    В колонке последовательность расписана очередность цветов при подключении к 1,2,3,4 -м ключам, при которой двигатель будет вращаться в одном направлении.

    Тип Обший провод Последовательность
    ПБМГ бел+корич. Желт-Красн-Син-Зелен
    KP39HM2S07 красн+красн Оранж-Черн-Желт-Коричн
    SM39Z2 красн+красн Оранж-Черн-Желт-Коричн
    PF42-48031 Бел+бел Желт-красн-син-розов
    EM-210 корич+корич Бел-оранжев-красн-синий
    EM-43 коричн+серый Бел-оранжев-красн-синий
    42SHM-32K8C Белый+черный Желт-коричн-синий-красн
    M42-SP-5 Красный Желт-коричн-оранж-черн
    MSCF048C52 корич+корич бел-синий-красн-желтый
    TYPE103-550-0149 бел+черн желт-розов-красн-син
    TYPE 103-771-1242 бел+черн син-жел-оран-красн
    M55-SP-1 Красный оранж-кор-желт-черн

    Если вам необходимо изменить направление вращения двигателя,
    подключите провода в соответствии с обратной цветовой
    раскладкой. Например при подключении в очередности
    "белый-синий-красный-черный" двигатель вращается не в ту сторону.
    подключите провода так "Черный-красный-синий-белый"


    Рис 1 Биполярный двигатель (а), униполярный (б) и четырехобмоточный (в).

    А вот нашел схему преобразования биполярного ШД в униполярный (Рис 2)
    Лампочки автомобильные 12V P 5W
     

    Вложения:

    • stbipolar.gif
      stbipolar.gif
      Размер файла:
      2,4 КБ
      Просмотров:
      2.238
    • faa557939710.gif
      faa557939710.gif
      Размер файла:
      5,2 КБ
      Просмотров:
      3.526

Поделиться этой страницей