готовые установки

Тема в разделе 'Готовые конструкции лазерных шоу', создана пользователем luxor, 7 ноя 2008.

  1. chem_kot

    chem_kot Модератор Staff Member

    Да, сейчас продумываю логику работы со всеми режимами, дописываю программу. Частота меняется. Сейчас ездил тестировал девайс в дыму - вообще красотища :)

    Фото внутренностей спирографа выкладывать?
     
  2. nikitos

    nikitos Новичок

    а почему нельзя использовать схему на ла7 для импульсов?
     

    Вложения:

  3. Саня

    Саня Пользователь

    выложи...интересно глянуть.
    частоту повыше бы...чтоб не полоски а точки были
     
  4. chem_kot

    chem_kot Модератор Staff Member

    Использовать то можно, но ведь драйвер для ЛД еще нужен...

    Фотки внутренностей спирографа вот:
     

    Вложения:

    • 1.JPG
      1.JPG
      Размер файла:
      411,6 КБ
      Просмотров:
      1.534
    • 2.JPG
      2.JPG
      Размер файла:
      478,2 КБ
      Просмотров:
      1.609
    • 3.JPG
      3.JPG
      Размер файла:
      470,5 КБ
      Просмотров:
      1.456
    • 4.JPG
      4.JPG
      Размер файла:
      482,7 КБ
      Просмотров:
      1.557
  5. Саня

    Саня Пользователь

    так он только на 2 движка что ли?
     
  6. chem_kot

    chem_kot Модератор Staff Member

    Да, на 2-х движках...
    Хотел сделать на 3-х мелких, выдвигающих трэй, но забросил, т.к. зеркала были полное УГ, и моторчики отпаялись от подложки в следствии сильных вибраций, и на них было забито. А вообще схема рассчитана на 3 движка, для полного их использования придется только немного подправить программу :)
     
  7. Саня

    Саня Пользователь

    лучше конечно на 3х движках...фигур больше
     
  8. AZM.SU

    AZM.SU Пользователь

    Позабавлялся.
    Гальванометры из гон-конга и платы которые с ними шли родные, запускал для проверки пришедшей зелени с DX (ориентировочно 50мВт) и самих гальванометров и плат.
    Управления лазером не было, так что рисует всё.
    Соответственно до стены дома на которую рисуется примерно 50метров.

    Установка ещё не доделаная, по этому схем и фото самого девайса пока не выкладываю, но по задумке это будет девайс которому не нужен компьютер что бы выводить текст и простые эффекты. Собрано всё будет на микроконтроллере ATmega88. Отличительная особенность сего девайса будет в том, что управление гальванометрами будет производиться цифрой (принцип усилителя класса D), то есть усилители будут не аналоговые (уже собран макет, но пока ещё в отладке всё).
     

    Вложения:

  9. Armer

    Armer Пользователь

    А как предполагается организовать обратную связь и коррекцию сигнала: цифра (контроллер) - аналог (усилитель, ОС, коррекция) - цифра (класс Д)?
     
  10. Inspiron

    Inspiron Пользователь

    Примерную схему будущего выходного каскада накидайте пожалуйста. тоже есть подобные задумки про класс D, хочу проверить в ту ли сторону копаю.
     
  11. AZM.SU

    AZM.SU Пользователь

    Armer, вся коррекция в цифре, то есть блок-схема для одного канала такова:
    [фотодиоды сканера] -> [дифф. усилитель на ОУ] -> [АЦП 12 бит] -> [Микроконтроллер -> [анализ данных с АЦП и формирование ШИМ] ] -> [Мощный выходной каскад] -> [Обмотка гальванометра].
    Соответственно каналами управляет ещё один микроконтроллер, точнее мега88, он задаёт координаты для каналов в 4-ми битном поле, микроконтроллеры отвечающие за установку углов занимаются:
    1) Получить координату от управляющего контроллера;
    2) Сохранить в память;
    3) Получить сигнал с АЦП;
    4) Сравнить с координатой в памяти;
    5) Выдать прописать значение в таймер-формирователь ШИМ.

    8-ми битные координаты выбраны, что бы частота, которая идёт по ШИМ каналу не была запредельной, обратная связь 12-ти битная, что бы точнее удерживать позицию в рамках заданной координаты.

    Inspiron, что касается выходного каскада, он совсем не будущий а уже очень настоящий и работоспособный как и вся система, просто пока ещё на стадии дорабатываемого макета. Именно для выходного каскада, я не стал себе насиловать мозг и применил готовое решение: TDA8926, что же касается части обработки сигналов, обратной связи я описал выше.
    Схемы всё пока в голове, рисовать бессмысленно, прежде всего потому, что постоянно что-то перепаиваю, что то меняю и перепрошиваю.

    Одно могу сказать сразу:
    цифровой блок управления гальванометрами жутко дорогая штука,
    одна только микроха АЦП (для обратной связи) обошлась, грубо в 500 рублей, выходник ещё в 350 рублей.
    Если вы не тот человек, который станет устраивать городьбу вроде "Искровой трансформатор Теслы с питанием от 12 вольт и управлением с пульта ДУ", то наверно не надо трогать класс D. Я его трогаю только по двум причинам:
    1) Мне это интересно (цифровая обработка, и вообще усилки класса D я собирал ещё во времена, когда наверно ещё и японцы его не придумали, первый собрал в 1989 году);
    2) Свой проектор я как и все свои девайсы планирую с 12 вольтовым питанием и для автономной работы, там где может и не быть сети 220 вольт, по этому от части думаю о КПД.
     
  12. Inspiron

    Inspiron Пользователь

    Ну как доделаешь - ждем полного описания. Хочется посмотреть что там за вещичка такая хитрая :) Люблю нестандартный подход в реализации обычных вещей.
     
  13. Dmitry_myth

    Dmitry_myth Новичок

    Наконец отфоткал хоть как-то свою малышку. Вкратце: 100mw Green, 100mw Blue, 300mw Red, 20kpps, RIYA MultiBus Micro.
    [​IMG]
    [​IMG]
    [​IMG]
    [​IMG]
    [​IMG]
     
  14. ThatLaser

    ThatLaser Новичок

    Сделал себе спирограф на 4-ох двигателях каждый двигатель включен через Н-мост (т.с. может вращаться і вправо і в лево ) кроме етого все двигатели крутяться под музику (через транзисторні ключі соотвествно вч /сч....вч/ сч....нч і нч)
    http://www.youtube.com/watch?v=nUHLF8uD68U
    http://www.youtube.com/watch?v=x9xe2YUvXbU
    http://www.youtube.com/watch?v=qZjtoZEVVHg
    (двигатели крепляться к корпусу через виброгасячі подушки от дисководов)
    Лазерная указка 50мВат.
     

    Вложения:

    • 24122011085.jpg
      24122011085.jpg
      Размер файла:
      642 КБ
      Просмотров:
      1.142
    • 26122011089.jpg
      26122011089.jpg
      Размер файла:
      647,7 КБ
      Просмотров:
      1.096
    • 26122011090.jpg
      26122011090.jpg
      Размер файла:
      637,7 КБ
      Просмотров:
      1.100
  15. witton

    witton Новичок


    Самодельшый лазер на шаговых движках управление через LPT синий плохо видно из за того что камера плохо воспринемает сниму на тел и выложу
     

    Вложения:

    • DPP_0015.JPG
      DPP_0015.JPG
      Размер файла:
      433,9 КБ
      Просмотров:
      1.127
    • DPP_0007.JPG
      DPP_0007.JPG
      Размер файла:
      400,3 КБ
      Просмотров:
      1.232
  16. Витёк

    Витёк Модератор Staff Member

    Ну вот, опять я сделал себе игрушку.
    Представляю вашему вниманию: ВУНДЕРВАФЛЯ!
    P1120479.JPG

    Обдумывал архитектуру долго, уже наверно год прошёл с момента, как захотелось, но времени собрать всё никак не находил, да и лень было :cool:

    Наконец пришёл к выводу, что надо как можно меньше делать самому и использовать как можно больше готовых решений.

    В качестве двигателей использовал бесколлекторные двигатели с Xо66иKинга. Там же заказал и контроллеры.

    "Материнка", на борту которой установил 2 микроконтроллера, питается от ESC контроллера двигателей. В качестве блока питания использовал готовый БП, который заказал за 450руб. в Московском магазине (7.5 вольта, 65 Вт).

    Материнка.
    Два микроконтроллера и генератор на 16 MHz. ВСЁ :D Микроконтроллеры умножают частоту 16 MHz до 48MHz. Первый микроконтроллер (PIC18F2550) управляет движками и общается с компом через USB порт. Связь пока однонаправленная, передаётся пакет данных каждую секунду, в пакете следующая инфа:
    1. длительность вкл первого лазера
    2. длительность выкл первого лазера
    3. синхровремя (планируется использовать в дальнейшем для синхронной работы двух лазеров)
    4. длительность вкл второго лазера
    5. длительность выкл второго лазера
    6. синхровремя
    7. режим (синхронный или асинхронный)
    8. скорость первого движка
    9. скорость второго движка
    10. скорость третьего движка
    Код:
    struct usb_data{
        unsigned char command; //8bit
        unsigned short long int LD1[3]; //24bit x 3
        unsigned short long int LD2[3];//24bit x 3
        unsigned char mode;//8bit
        unsigned int MD1,MD2,MD3; //16bit x 3
    }sys_config;
    
    При получении пакета данные обрабатываются, запускаются таймеры.
    Хоть таймеры и 16 битные, они просто перезапускаются, отсчитывая реальное время в дополнительной 24-битной переменной. Это необходимо, чтобы отсчитать 20 мс с высоким разрешением, что необходимо для управления контроллером двигателей . По сути таймеры 24 битные.

    Второй МК (PIC18F2450) используется для управления лазерами. Инфу о лазерах он получает от первого МК по шине USART. Получив данные о лазерах - он запускает соответствующие таймеры и начинает считать. Таймеры так же "расширены" до 24 бит.

    Схема для любопытных:
    schema_mobo.jpg

    Лазерный контроллер.
    Схема проста до нельзя, на основе ОУ и невероятно стабильна. Никаких всплесков на осциллограмме, напряжение держится как в аптеке.
    Любопытный факт. Заказал я зелёный лазер на 5 мВт. Разобрал его, посмотрел напряжение на ЛД: 1.8 Вольта! Посмотрел даташиты на некоторые диоды 808nm, везде напряжение питания 2.2 Вольта. Поднял напругу до 2.1, лазер стал яркий, как все 50 мВт.
    Синий ЛД 445нм, заказал на ebay. Выдран из M140 проектора. Ток через него погнал 300 мА, при этом падение напряжения на нём 4 вольта ровно.

    Схема для любопытных:
    schema_LDX2.jpg

    Оптическая схема.
    Геометрию рассчитал параметрически в Autodesk Inventor 2009. Было два варианта геометрии: "треугольная" и "параллельная".
    Треугольная:
    mg2.jpg

    Параллельная:
    mg1.jpg

    Параллельная оказалась эффективнее почти вдвое: максимальная расходимость лучей в треугольной с моими зеркалами составила 18 градусов, в параллельной - 30 градусов.

    Там же и весь стапель рассчитал:
    main_geometry.jpg

    К двигателям выточил специальные держатели. Движки в теории могут раскрутиться до 12000 об/мин, но после 7000 об/мин возникает резонансная вибрация, которую побороть не удалось. Балансировка с точностью до шайбы, до ~6000 об/мин почти никаких вибраций.
    P1120490.JPG

    Управление.
    Управление полностью осуществляется с компа. Пока программа управления крайне проста:
    prog.jpg

    Планирую добавить разные режимы работы лазеров + возможность создания сценариев , чтобы фигуры сами менялись без моего участия через заданные промежутки времени.

    Стабильность работы отличная, контроллеры движков держат скорость в режиме говернера отлично. Только вот сигнал они воспринимают несколько странно, нужно обязательно дождаться установки оборотов движков, иначе почему-то вместо прибавления обороты могут наоборот скинуться :? .

    Ну и видео на последок :cool:
     
  17. Витёк

    Витёк Модератор Staff Member

    Сегодня допили в программе сохранение конфигурации и создание сценариев. Сохранил более 50 фигур, смена фигур каждые 5-10 секунд (время удержания одной картинки тоже сохраняется, от 1 сек и более). Но, как оказалось, воспроизводит он фигуры плохо, двигатели раскручиваются не точно до того состояния, которое было ранее сохранено. Начал курить методику перепрошивки контроллеров ESC. Опенсорсные программы вроде как есть, перепрошивать AVR-ки собираюсь своим программатором Pikkit2 :)
     
  18. MishkaR1

    MishkaR1 Новичок

    Здравствуйте форумчане:) просматривая этот форум я увидел много интересных вещей сделаних народными умельцами) вот и я решил похвастатся своими спирографами:oops:
    на первых двух фото это мой первый лазерный спирограф с ручным управлением)
    на 3 и 4 фото спирограф который я делал на дипломный проект в техникум) он со звуковой активацией.
    на 5 и 6 фото спирограф со звуковой активацией и автоматическим выключинием лазера когда отсутствует музыкальный сигнал.
    7 фото начинка
    и напоследок моё детище :rolleyes: спирограф со звуковой активацией + RGB цветовая заливка

    не судите строго, лазерами я занимаюсь недавно...:oops:
     

    Вложения:

    • Фото0375.jpg
      Фото0375.jpg
      Размер файла:
      245,4 КБ
      Просмотров:
      1.103
    • Фото0377.jpg
      Фото0377.jpg
      Размер файла:
      254,7 КБ
      Просмотров:
      1.240
    • Фото0873.jpg
      Фото0873.jpg
      Размер файла:
      204,4 КБ
      Просмотров:
      1.190
    • Фото0874.jpg
      Фото0874.jpg
      Размер файла:
      246,3 КБ
      Просмотров:
      1.168
    • Фото1100.jpg
      Фото1100.jpg
      Размер файла:
      203,1 КБ
      Просмотров:
      1.114
    • Фото1101.jpg
      Фото1101.jpg
      Размер файла:
      200,7 КБ
      Просмотров:
      1.075
    • Фото1098.jpg
      Фото1098.jpg
      Размер файла:
      336,4 КБ
      Просмотров:
      1.171
    • 22122012001.jpg
      22122012001.jpg
      Размер файла:
      256,4 КБ
      Просмотров:
      1.266
    • 22122012.jpg
      22122012.jpg
      Размер файла:
      214 КБ
      Просмотров:
      1.026
    • 22122012002.jpg
      22122012002.jpg
      Размер файла:
      178,4 КБ
      Просмотров:
      1.249
    • 22122012003.jpg
      22122012003.jpg
      Размер файла:
      204,3 КБ
      Просмотров:
      1.073
    • 22122012004.jpg
      22122012004.jpg
      Размер файла:
      195,8 КБ
      Просмотров:
      1.038
  19. Витёк

    Витёк Модератор Staff Member

    Переделал свой спирограф. Заменил двигатели, а то с предыдущими моторчиками гудело всё как маленькая дрель. + добавил к каждому контроллеру двигателя в обратную связь схему, реализующую ПИ алгоритм для точной установки оборотов двигателей. Теперь я доволен :)

    Двигатели заменил на двигатели из HDD. Работают тихо и плавно.
    P1120689.JPG

    Чтобы избежать вибраций были выточены и отферзерованы адаптеры-держатели зеркал. Зеркала, как обычно, из блинов HDD. Угол отклонения зеркал 1 градус.
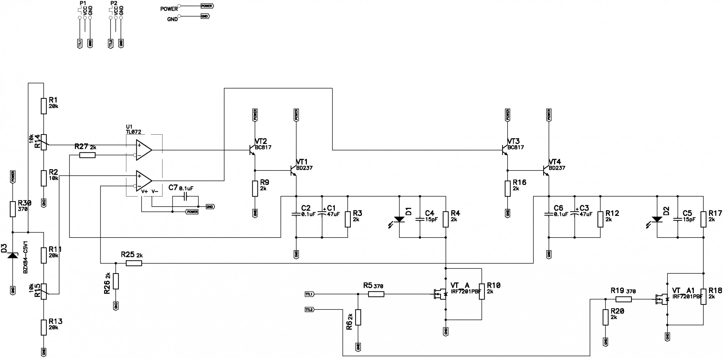
    schema.png

    Больше всего было геморроя с контроллерами бесколлекторных двигателей.
    P1120692.JPG
    Дело в том, что вшитая программа не способна устанавливать нормально и достаточно точно обороты двигателя, даже в режиме гувернёра. А производительности МК не достаточно для добавления ПИ алгоритма. Поэтому были разработаны отдельные ПИ контроллеры, включенные в цепь обратной связи.
    P1120694.JPG

    Улучшил охлаждения лазеров.
    P1120695.JPG

    Вчера гонял 4 часа, не вмешиваясь в работу вообще никак. Лазеры более не перегреваются, фигуры устанавливаются именно в то положение, которое было запрограммировано.

    Видео работы программы с 17 фигурами.


    Видео работы ПИ контроллера.
     

Поделиться этой страницей